Trockenbau- passende Befestigungen
Ständerwerk, Rigips-Wände, Hohlraumdübel (Dübel für Gispkartonplatten)
Trockenbauwände aus Gipskarton oder Gipsfaserplatten sind eine bewährte Methode zum Einziehen von Wänden und bei Renovierungen.
Jeder Montageschritt erfordert spezielle Befestigungslösungen: der Aufbau von Ständerwerk aus Holz oder Metall, die Montage von Rigips-Wänden und die Befestigung von Objekten mit Dübeln für Gipskartonplatten (Hohlraumdübel).
Hohlraumdübel eignen sich außerdem nicht nur für die Befestigung an Plattenbaustoffen, sondern auch im Hohlraum bzw. an Hohldecken.
Jeder Montageschritt im Trockenbau erfordert spezielle Lösungen: der Aufbau von Ständerwerk aus Holz oder Metall, die Montage von Rigips-Wänden und die Befestigung von Objekten mit Hohlraumdübeln - die sich auch für die Montage im Hohlraum bzw. an Hohldecken eignen.
ÜBERBLICK
Klicken Sie hier:
1. Ständerwerk aufbauen
Als Grundgerüst im Trockenbau dienen Metallprofile oder Holzständerwerk, an denen im zweiten Schtritt die Platten z.B. Gipskartonplatten oder Gipsfaserplatten befestigt werden. Für beide Varianten bietet CELO Befestigungslösungen an:
1.1 Metallständerwerk aufbauen



Metallprofile können Sie mit der Profilverbinderschraube PVS verschrauben. Die Profilverbinderschraube PVS ist eine Spezial-Trockenbauschraube zum Verschrauben zweier Metallständerprofile mit einer Dicke von max. je 0,8 mm.
PVS lässt sich dank der blauen Passivierung/Verzinkung schnell verschrauben und zieht die Metallprofile zuverlässig zusammen.
1.2 Holzständerwerk aufbauen


Holzständerwerk als Grundgerüst für die Trockenbaumontage kann schnell und sicher mit der zugelassenen Spanplattenschraube VELOX® Pozi aufgebaut werden.
Der patentierte vordere Gewindebereich vermindert das Splittern des Holzes und reduziert den Kraftaufwand beim Einschrauben, was für eine schnelle Verarbeitung und eine längere Akkustandzeit sorgt.
2. Rigips-Platten montieren
Plattenbaustoffe wie Gipsfaserplatten oder Gipskartonplatten lassen sich mit Trockenbauschrauben bzw. Schnellbauschrauben schnell am Ständergerüst verschrauben. Der Trompetenkopf sorgt für bündiges Abschließen und einfaches Verspachteln / Verputzen.
Die schwarz phosphatierten Schrauben aus Stahl sind in mehreren Verianten erhältlich, je nachdem ob sie dazu dienen Platten an Holz-, Metall oder an weiteren Platten zu verschauben. Wir stellen Ihnen 5 Varianten vor:
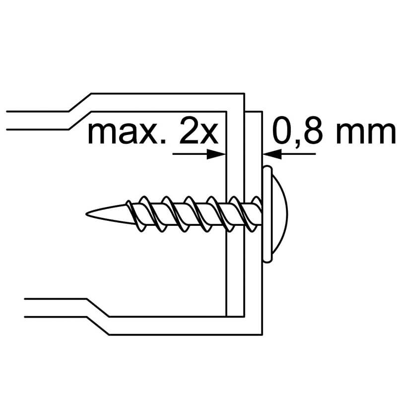
2.1 Gipskartonplatten auf Metallständerwerk bis 0,8 mm
Die selbstschneidende Feingewinde-Trockenbauschraube / Gipskartonschraube SSF mit Kreuzschlitz (PH 2-Antrieb) ist für die Befestigung von Gipskartonplatten an Aluminiumprofilen mit einer Dicke von bis zu 0,8 mm zu empfehlen.



2.2 Gipskartonplatten auf Metallständerwerk bis 2,25 mm
Die Schnellbauschraube SSB zeichnet sich durch ihre Bohrspitze aus. Die Gipskartonschraube mit feinem Gewinde und Kreuzschlitz (PH2-Antrieb) ist für die Befestigung von Gipskartonplatten an stärkerem Metallständerwerk bis zu 2,25 mm optimal geeignet, da die spezielle Teks-Bohrspitze auch stärkeres Blech einfach durchbohren kann.



2.3 Gipsfaserplatten auf Metallständerwerk bis 0,8 mm
Die Gipsfaserplattenschraube GSH mit HiLo-Gewinde und PH 2-Kreuzschlitz ist für das Verschrauben von Gipsfaserplatten an Metallständerwerk bis 0,8 mm optimal geeignet. Die Gewindegänge des sogenannten Hoch-Tief Gewindes (HiLo = "High-Low") bewirken gegenüber anderen Trockenbauschrauben ein Durchtrennen der Fasern der Gipsfaserplatten. So eignen sich die selbstschneidenden Gipsfaserschrauben GSH speziell für Trockenbauplatten mit Fasern.



2.4 Gipskartonplatten auf Holzständerwerk
Die speziell gehärtete Grobgewinde-Trockenbauschraube SSG mit handelsüblichem Kreuzschlitz (PH2 Antrieb) ist Ihre Lösung für die schnelle Montage von Gipskartonplatten an Holzständerwerk.
Dank des Trompetenkopfes erreichen Sie einen bündigen Abschluss im Baustoff und sorgen damit für einfaches Überspachteln / Verputzen.



2.5 Gipskarton auf Gipskarton
Die speziell gehärtete Trockenbauschraube GGS mit Kreuzschlitz (PH 2 Antrieb) ist speziell zum Verbinden von Gipskartonplatten geeignet. GGS steht für Gips-auf-Gips-Schraube. Dabei gewährleisten der größere Schraubendurchmesser von Ø 5 mm (andere Gipskartonschrauben der gleichen Länge haben etwa 3,9 mm im Durchmesser) und das gröbere Gewinde hohen Halt zwischen den Platten und ein festes Zusammenziehen.


3 Mit Hohlraumdübeln befestigen
Mit mehr als 60 Jahren Erfahrung in der Befestigungstechnik bietet CELO Befestigungssysteme GmbH ein umfassendes Sortiment an Hohlraumbdübeln an, mit denen sogar schwere Lasten an Trockenbauwänden oder im Hohlraum befestigt werden können.
Wir stellen Ihnen 8 Typen mit unterschiedlichen Verankerungsarten vor:
3.1 Universal Hohlraumbefestigung | BT plus
3.2 Hohlraumdübel aus Metall | HRM
3.3 Federklappdübel Metall | FK
3.4 Gipskartondübel | GKD
3.5 Gipsfaserplattendübel | GKDZ
3.6 Verknotungsdübel | FX
3.7 Hohlraum-Leichtbefestigung | HR
3.8 Klappdübel Nylon | TPL
3.1 Universelle Hohlraumbefestigung - Schwere Lasten, Plattenstärke variabel






Für Gipskarton- und Gipsfaserplatten, allgemein bekannt als Rigips, ist der Hohlraumdübel BT Plus eine ausgezeichnete Wahl. Der BT Plus ist ein einzigartiger Hohlraumdübel, der selbst schwere Lasten sicher im Hohlraum verankert. Dabei ist der äußerst stabile Klappdübel für Plattendicken von 10 - 70 mm universell einsetzbar. Dieser Dübel bietet eine ausgezeichnete Tragfähigkeit und ist ideal für Plattenbaustoffe und Hohlräume.
- Zeitsparend, keine Hilfswerkzeuge nötig
- Stabile Verankerungsschiene aus Metall
- Universell für Plattenstärken von 10-70 mm
- Für Plattenbaustoffe, Hohlkammerdecken und Lochsteine mit großen Kammern
- Für schwere Lasten wie Waschbecken, Heizkörper, Hängeschränke
- Made in Germany (Aichach, Bayern)
3.2 Hohlraumdübel aus Metall






Der Hohlraumdübel HRM mit metrischer Schraube ist für Befestigungen auf Plattenbaustoffen, z.B. Gipskarton-, Gipsfaser- oder Spanplatten, aber auch in Hohldecken geeignet.
Nach erfolgter Installation spreizt sich der Metall-Hohlraumdübel großflächig ab, dies sorgt für hohe Haltewerte. So ist er die ideale Lösung zur Befestigung von z.B. Hängeschränken in der Küche oder für Regale.
- Nicht brennbar nach DIN EN 13501-1, Klasse A1.
- Komfortable Montage mit der Montagezange MZA 100
- Auch mit Akkuschrauber oder Schraubendreher montierbar
3.3 Federklappdübel




Der Federklappdübel FK ist geeignet für Befestigungen an Plattenbaustoffen z.B. Gipskarton oder Spanplatten, Lochsteinen oder Hohldecken. Profitieren Sie von der einfachen und schnellen Montage: Nach dem Durchführen durch das Bohrloch klappt der Dübel selbsttätig auf und verankert hinter der Platte. Aufgrund des langen Gewindes kann er flexibel für viele unterschiedliche Plattenstärken z.B. für die Abhängung von Lichtern verwendet werden.
• Typ FK-HS mit Rundhaken
• Typ FK-S mit Unterlegscheibe und Sechskantmutter
• Typ FK-R mit Rändelmutter gelb
• Typ FK-UR mit Rändelmutter und Unterlegscheibe
3.4 Selbstbohrender Gipskartondübel aus Nylon




Mit dem Gipskartondübel GKD (mit Kreuzschlitz PH2) ist eine sehr schnelle Montage in Gipskartonplatten möglich, da nicht vorgebohrt werden muss. Der hochqualitative, alterungsbeständige Nylondübel hat 30% Glasfaseranteil und bohrt sich aufgrund seiner Härte direkt und leicht durch die Gipskartonplatte.
Der GKD-Dübel wird komplett an unserem Firmenstandort in Deutschland gefertigt und erfüllt höchste Qualitätsstandards.
- Geeignet für leichte Lasten
- Inklusive passender Schraube
- Made in Germany (Aichach, Bayern)
3.5 Selbstbohrender Dübel für Gipsfaserplatten




Der selbstbohrende Metalldübel GKDZ sorgt für eine schnelle Montage sowohl in Gipskarton- als auch in Gripsfaserplatten. Der Dübel aus Zinkdruckguss hat eine scharfkantige Spitze und bohrt sich entsprechend leicht durch die Platte.
Sie sparen wertvolle Montagezeit, da der GKDZ sowie die im Set enthaltete Schraube mit dem gleichen Bit (PZ2 oder PH2) gesetzt werden können. Dabei schraubt sich die Schraube einfach durch die Dübelspitze.
- Geeignet für leichte Lasten
- Für Gipskarton- und Gipsfaserplatten
3.6 Verknotungsdübel FX





Einen klassischen Dübel hätten Sie vermutlich nicht in der Reihe der Hohlraumbefestigungen erwartet?
Dabei ist der FX-Dübel mit Schraube einer der vielseitigsten Nylondübel, der durch seine 4-fach Spreizung höchste Haltewerte in verschiedenen Untergründen erzielt. Bei Loch- und Plattenbaustoffen verknotet sich der Klassiker hinter der Platte und sorgt für festen Halt.
- Kragen sorgt dafür, dass der Dübel nicht in das Bohrloch rutscht
- Qualität Made in Germany!
- Gebrauchsfertig inklusive Schraube
3.7 Hohlraumdübel für leichte Lasten




Der Hohlraumdübel HR ist die kostengünstige Lösung für die Befestigung bei leichten Lasten. Durch Einschrauben der Schraube spannen sich die beiden Arme hinter der Platte und bilden einen Formschluss.
- Besteht aus hochqualitativem, Alterungs-, Witterungs-, und UV-beständigem Nylon
- Hergestellt in Deutschland (Aichach, Bayern)
3.8 Klappdübel aus glasfaserverstärktem Nylon



Der Klapp-Hohlraumdübel TPL besteht aus zwei Teilen: Der bewegliche Teil hat eine scharfe Spitze und bohrt sich automatisch durch die Gipsplatte. Der feste Teil des Dübels sorgt für einen perfekten Halt auf der Platte.
Wird die Schraube durch das Gewinde geschraubt, schwenkt der bewegliche Teil zur Seite und fixiert den Dübel von hinten an der Platte.
Der TPL ist aus glasfaserverstärktem Nylon gefertigt. Dadurch ist er sehr widerstandsfähig und kann Lasten bis zu 20 kg aufnehmen.
Weiterführende Informationen
Downloads
Laden Sie sich in unserem Download-Bereich die Broschüre mit den wichtigsten Hohlraumbefestigungen kostenlos herunter:
How-to? Montagevideos
Auf unserem YouTube-Kanal zeigen wir die schnelle Montage der Hohlraumbefestigungen Schritt für Schritt.